
HE6X6 是一个简单小型的用来量化低负荷的测力台。这个6英寸乘以6英寸大小的测力台带有一个ATMI公司的NetForce数据采集软件,同时它对于人体感觉测试和小动物与应用来说也是一个非常精确和经济的解决方案。
.jpg)
|
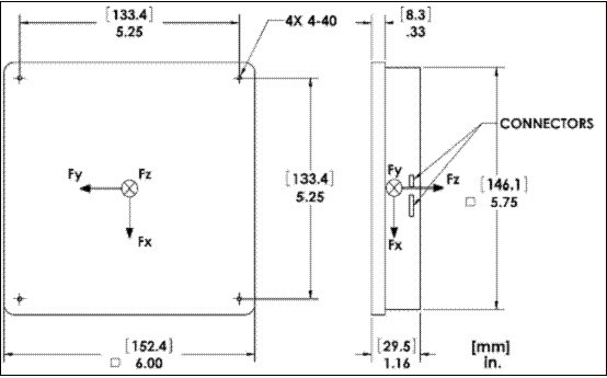
尺寸
(宽x长x高) |
6 x 6 x 1.16 in |
安装硬件 |
不需要 |
|
重量 |
1.6 lb. |
传感元件 |
霍尔效应 |
|
通道 |
Fx, Fy, Fz, Mx, My, Mz |
放大器 |
内置 |
|
顶板材料 |
合成品 |
模拟输出 |
可选 |
|
温度范围 |
0 to 125°F |
数字输出 |
6 通道 |
|
通道 |
Fx |
Fy |
Fz |
单位 |
Mx |
My |
Mz |
单位 |
|
载荷 |
0.5 |
0.5 |
1 |
lb |
2 |
2 |
1 |
in-lb |
|
灵敏度 |
- |
- |
- |
μv/v-lb |
- |
- |
- |
μv/v-in-lb |
|
频率 |
30 |
30 |
42 |
Hz |
- |
- |
- |
Hz |
.jpg)
